
主要特点
■变频调速,全自动控制。
■具有普通立式刮刀下卸料离心机的所有优点。
■拉袋下降、复位全自动操作。
■滤布袋在转鼓内可以上下运动,产生振荡效果,可以彻底清 除残余滤饼。
■可以根据需要选择大翻盖型式或者外壳全翻型式。
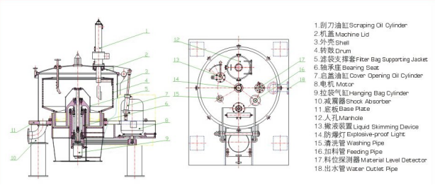
待分离的物料经进料管加入高速旋转的离心机转鼓内,在离心机的作用下,物料经滤布实现过滤,液相经出液管排出,固相被截留的转鼓内,当物料加满时,停止进料,对滤饼进行洗涤同时将洗涤液离出,离心机继续旋转,对滤饼进行干燥,滤饼达到分离要求后,离心机降速通过刮刀将滤饼刮下,底部排出机外,离心机再降速,气动拉袋装置上下往复运动,将残余滤饼抖落,复位进行下次分离。
工作原理
卸料过程进行时,刮刀动作,在刮刀的作用下,大部分物料通过转鼓底部的落料孔排至机外,残余料层通过转鼓内部的自动拉袋机构,产生振荡效果,将残余料层彻底清除。

